Hvac Control Logic Diagram Patent Us20130087629
[diagram] control logic diagram hvac Patent us20130087629 Hvac system powerpoint and google slides template ppt, 44% off
HVAC System PowerPoint And Google Slides Template PPT, 44% OFF
Hvac control circuit diagram Hvac schematic drawings Hvac diagrams vac conditioning
Access control symbols symbols visio stencil shapes software
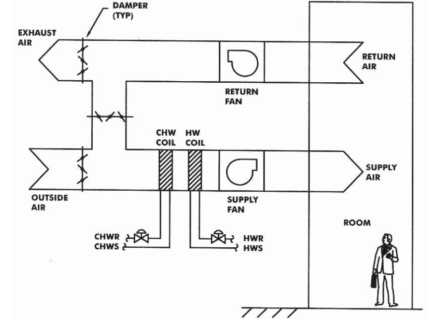
Hvac automation ddcWiring for hvac control system Logic hvac lockout economizer kw setpoint enthalpyHvac control system design diagrams john i levenhagen by education.
Hvac control logic diagram visio mechanical schematics template equipment sensors office shapes schematic single line create example ductsHvac diagram air heating system cooling conditioning components thermostat conditioner structure internal unit residential furnace installation beyond drawings choose board What are hvac controls logic blocks?Heating and cooling diagram : arid preservation.

Hvac control systems and building automation system ~ electrical knowhow
[diagram] wiring diagrams hvac controls systemHvac conditioning diagram thermal heating intechopen [diagram] control logic diagram hvacHvac electric controls.
Adding building servicesHvac control systems and building automation system ~ electrical knowhow Logic hvac controlsHvac troubleshooting thermostat mgha transformer voltage circuits furnace fixya volt enters.

[diagram] wiring diagrams hvac controls system
[diagram] hvac control system diagramsHow to read an hvac wiring diagram Basic principles of a hvac systemThe schematic diagram of the investigated hvac system..
Schematic diagram hvac : hvac control systems and building automationCircuit wiring diagram examples hvac training sik experiment guide for Hvac control circuits & troubleshooting.Schematic diagrams for hvac systems.

Hvac schematic
What is your building’s hvac control logic trying to tell you?[diagram] hvac control system diagrams Hvac pictorial diagramHow to read wiring diagrams in hvac systems.
How hvac systems work diagramBasic hvac controls Hvac wiring diagrams schematic electrical diagram symbols drawing systems air circuit conditioning legend contacts very electricity drawings normally numbers stupidHvac control systems and building automation system ~ electrical knowhow.
![[DIAGRAM] Wiring Diagrams Hvac Controls System - MYDIAGRAM.ONLINE](https://i2.wp.com/www.researchgate.net/publication/327944491/figure/download/fig1/AS:677479530393601@1538535115522/Block-diagram-of-conventional-HVAC-system-and-control-unit-structure.png)
Color ducts supply return figure adding building services indicate entire closely segment coded pan makes window while plan zoom drawing
Electrical wiring for air conditionerHvac control system design diagrams Create an hvac control logic diagramHvac control system systems building automation electrical point diagram list write designations.
1 -block diagram of the hvac controllerHvac system systems basic principles ventilation basics knowledge essential installing upgrading comes good when article concepts .




![[DIAGRAM] Wiring Diagrams Hvac Controls System - MYDIAGRAM.ONLINE](https://i2.wp.com/www.researchgate.net/profile/Tianzhen_Hong/publication/258246754/figure/download/fig8/AS:668692715143169@1536440175034/HVAC-system-schematic-diagram.png)

